





Honda CRF 1000L AFRICA TWIN 2016-2019 -
Unknown
Slovensko, sk7. 3. 2026
Listed on bazos.cz
External source
For more information and contact
Sponsored post
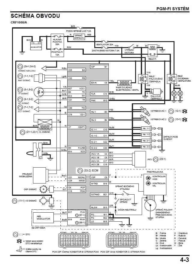
Ponukam servisny manual na HONDA CRF 1000L/A/D r.v 2016-2019 v SK jazyku. V hrebenovej verzii. Vsetky schemy su vo formate A2. Piste na email. Cislo nie je platne
Trends
NEWSimilar items

Ford F150 5.4 Harley-Davidson LIMITED
10 500 €

Ford F150 2017r.v 2.7 EcoBoost pickup F150 2017
10 000 €

yzf250 2023
5 100 €

Honda CRF 450 2024
5 400 €

Mercedes E trieda All-Terrain 220d 143kW 4MATIC AT9
17 999 €

Beta 390 RR
4 200 €
Sponsored post

Suzuki rmz 250 r.v. 2024
4 500 €

Stels guepard 800
6 700 €